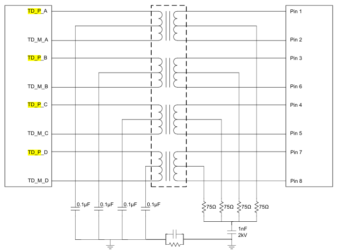
다음 회로는 ethernet phy 칩과 RJ45 커넥터 사이 연결 회로도이다. 각 부분의 역할에 대해 정리한다.

Transformer 1:1 은 phy 칩 회로와 rj45 커넥터의 회로부분이 전기적으로 직접 연결되지 않도록 분리하는 역할이다. 전류가 직접 흐를 수 있는 금속 연결이 없다. Transformer는 자기장을 이용하여 두 회로간에 신호를 전달한다.
Transformer의 centertap - 차동신호의 기준점, 공통 모드의 노이즈 제어
공통모드 노이즈 - 두 신호선에 같은 방향 또는 같은 크기로 동시에 존재하는 노이즈
0.1uF - center tap에 달린 이 커패시터는 공통 모드 노이즈가 나갈 수 있는 통로이며, DC 신호 차단하는 역할
보통 center tap - 0.1uF 커패시터 - GND 이렇게 연결한다.
※ center tap 부분을 0.1uF 커패시터 없이 바로 GND에 연결한다면?
PHY chip에서 나오는 Tx/Rx 차동신호는 차동 성분(신호)과 공통 모드성분(오프셋 DC 전압)로 이루어져 있다. 즉 Tx/Rx 신호는 DC bias(ex 1V) 가 있는 상태에서 차동신호가 있다. 이 상태에서 center tap 부분을 GND에 바로 연결하면, PHY chip의 DC bias 전압이 전부 GND로 단락되어 버린다. 즉 PHY chip 이 출력하는 DC bias 회로에 예상치 않은 전류가 흐르게 되어버린다. 따라서 커패시터를 달아주어서 DC(DC 바이어스)는 유지하고 AC성분(공통모드 노이즈)만 통과하도록 한다.
RJ45 커넥터의 transformer 에 연결된
75ohm - 임피던스 매칭 및 노이즈 감쇄
1000pF/2.5kV - 커패시터의 역할은 RF 노이즈를 접지로 흘려보낸다. 또한 2.5kV의 고전압이 걸려도 절연이 유지되어 shield 바깥쪽 전압에 의해 전류가 내부에 흐를 수 있는 것을 방지
DP83867 PHY chip과 RJ45커넥터와 연결 시 필요한 회로구조이다. 위와 같은 형태를 가진다.

'회로도' 카테고리의 다른 글
| Pull up 저항 크기의 영향 (0) | 2026.01.05 |
|---|---|
| Push pull 그리고 Open drain (0) | 2026.01.05 |
| High impedance (0) | 2026.01.05 |